Zibo Kunpeng Anticorrosion Equipment Co., Ltd.
聚丙烯立式、卧式贮罐
一、概述
聚丙烯立式、卧式贮罐用于储存液体或气体的钢制密封容器即为储罐,储罐工程是石油、化工、粮油、食品、消防、交通、冶金、国防等行业必不可少的、重要的基础设施。具有无焊接缝、不渗漏、无毒性、重量轻、抗老化、抗冲击、耐腐蚀、寿命长、符合卫生标准等优点,聚丙烯储罐用以存放酸、醇、气体等提炼的化学物质。
二、产品规格 ?
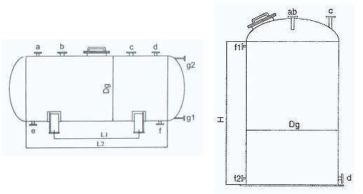
1、卧式系列贮罐示意图表
2、立式贮罐系列图表
RPP系列立式水喷射...
RPP系列卧式水喷射...
SY-731型PP离...
SYP-Ⅰ系列聚丙烯...
SYP-Ⅱ系列聚丙烯...
contact us
淄博银杏视频下载免费观看防腐银杏视频视频在线播放有限公司
138-0533-5585
联系人:孙总
淄博市张店区南定镇小旦村
淄博银杏视频下载免费观看防腐银杏视频视频在线播放有限公司主营的衬塑银杏视频视频在线播放,衬四氟银杏视频视频在线播放,衬氟银杏视频视频在线播放产品质量优,厂家型号多,价格实惠,工艺完善
备案号:鲁ICP备55666482号-1