Zibo Kunpeng Anticorrosion Equipment Co., Ltd.

搪玻璃闭式反应釜的安装
1、搬运:搬运时只允许搪玻璃闭式反应釜的罐耳受力(指非包装时),不允许滚动及用撬杠,避免震动、碰撞,严禁接管管箍、卡子等易损部件受力。
2、吊装:吊装搪玻璃闭式反应釜时须在规定部位(如夹套接管、罐耳等)挂网丝绳。(罐盖上的吊环只作吊罐盖使用),不能与任何物体相碰,稳吊轻放。
3、组装前检查:组装前,检查人员应穿洁净软底胶鞋进入容器内检查搪玻璃层有无异常现象。
4、法兰的安装:在拧紧法兰螺栓时,应按沿对角线成对地逐渐拧紧、用力要均匀,不应一次完全拧紧,避免因受力不匀而造成搪玻璃层破裂而影响使用寿命。
5、卡子的安装:应先检查卡子是否完整,数量是否符合规定,安装时要保证距均等,松紧适度确保运转安 全及密封可靠。
6、搅拌器的安装:a、先将搪玻璃闭式反应釜的搅拌器放入罐内(罐底铺设软垫),然后将罐盖吊至预定位置,同时将密封件套入搅拌轴,再将搅拌器提升与减速机输出轴连接,锁紧防松装置。b、调整搅拌轴与密封件的同轴度及垂直度,达到技术规定的要求后使搅拌轴缓慢转动,当运转灵活,无异常现象时,才准再试开启电动机按纽,直至运转正常(此段时间不宜过长)。
7、衬垫的选择:须根据搪玻璃闭式反应釜的介质的类别、浓度、温度进行选择,衬垫本身的性质和使用方法,应适用于工艺要求,我公司目前供应的衬垫有石棉橡胶、橡胶外包聚四氟乙烯可供用户选择。
8、施焊:a、严禁在搪玻璃闭式反应釜外壁表面施焊。b、在夹套上焊接接管、罐耳、罐座时,一律使用电焊、并采取冷却措施,不准使用气焊。c、在搪玻璃层临近空间部位施焊时,应将搪玻璃表面、罐口、管口盖严,避免电焊渣飞溅,损坏搪玻璃面。
搪玻璃闭式反应釜
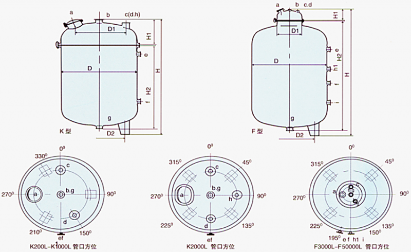
搪玻璃闭式反应釜参数表
contact us
淄博银杏视频下载免费观看防腐银杏视频视频在线播放有限公司
138-0533-5585
联系人:孙总
淄博市张店区南定镇小旦村
淄博银杏视频下载免费观看防腐银杏视频视频在线播放有限公司主营的衬塑银杏视频视频在线播放,衬四氟银杏视频视频在线播放,衬氟银杏视频视频在线播放产品质量优,厂家型号多,价格实惠,工艺完善
网站地图